
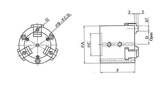
Mechanical parameters in MM| Main Body Mini Air Chuck | Repeatability (mm) | Model | |||||
| h7 | F | D | ØC | B(P.C.D.) | ØA | ||
| 5.5 | 34 | 10.8 | 24 | 3-M3 36 | 37 | 0.01 | MHC3721 |
| 5.5 | 34 | 10.8 | 24 | 3-M3 36 | 37 | 0.01 | MHC3731 |
| 6 | 39 | 14.5 | 25 | 3-M3 36 | 42 | 0.01 | MHC4225 |
| 6 | 39 | 14.5 | 25 | 3-M3 36 | 42 | 0.01 | MHC4235 |
| 7 | 40 | 16.5 | 30 | 3-M4 42 | 51 | 0.01 | MHC5125 |
| 7 | 40 | 16.5 | 30 | 3-M4 42 | 51 | 0.01 | MHC5135 |
| Weight (kg) | Feasible Air Pressure (bars) | Jaws | Model | |||
| Gripping Force | Stroke (MM) | No. Of Jaws | G | |||
| 0.15 | 0.5-6 | 7kg/cm | 1 | 2 | M4-3 | MHC3721 |
| 0.15 | 0.5-6 | 7kg/cm | 1 | 3 | M4-3 | MHC3731 |
| 0.2 | 0.5-6 | 8.6kg/cm | 5 | 2 | M4-3 | MHC4225 |
| 0.2 | 0.5-6 | 8.6kg/cm | 5 | 3 | M4-3 | MHC4235 |
| 0.3 | 0.5-6 | 18kg/cm | 5 | 2 | M4-3 | MHC5125 |
| 0.3 | 0.5-6 | 18kg/cm | 5 | 3 | M4-3 | MHC5135 |

Variety of mini grippers, two and three jaw air chucks
Ø50MM and Ø42MM small grippers air chucks serratted type